This website requires JavaScript.
Explore
Help
Register
Sign In
WolfSpirit
/
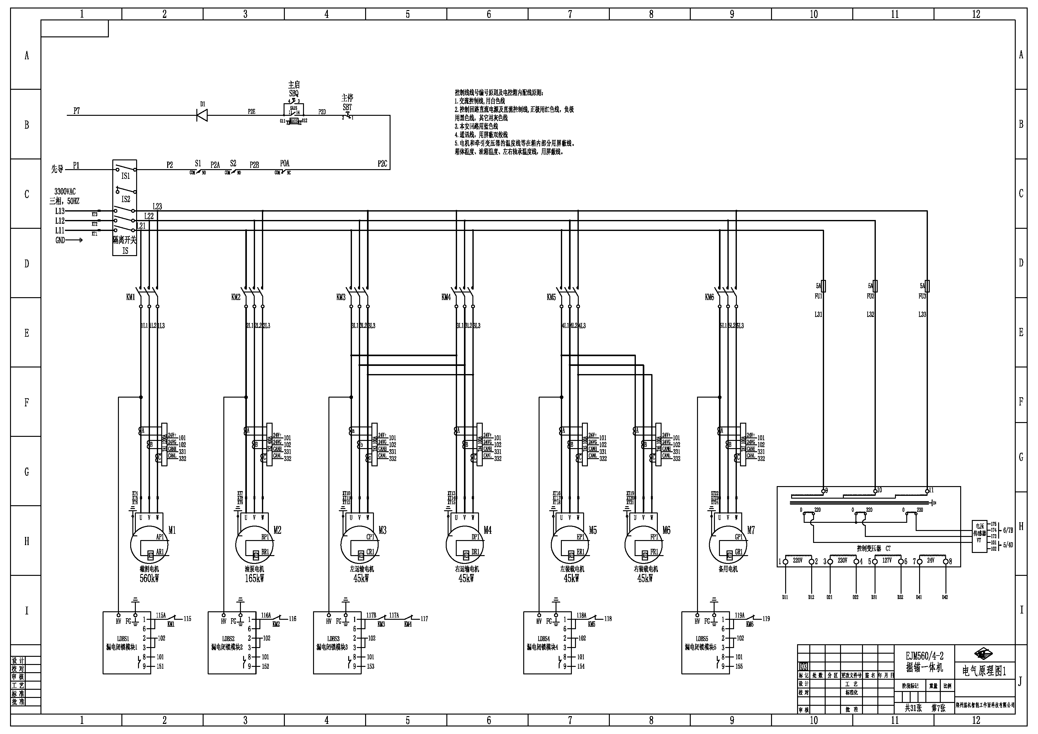
EJM_560
Watch
1
Star
0
Fork
0
You've already forked EJM_560
Code
Issues
Pull Requests
Actions
Packages
Projects
Releases
Wiki
Activity
Files
bc435af9b0a6c251f59696ba495e45c28f5b3200
EJM_560
/
图纸
/
EJM560-4-2掘锚一体机原理图-20250724_页面_2.png
WolfSpirit
bd0dc62c50
同步程序
2025-09-28 17:12:35 +08:00
52 KiB
3309x2339px
Raw
History